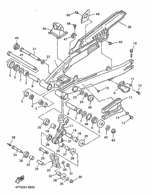
Доброго времени суток! Столкнулся с такой проблемой на своем xt600. Вернувшись из поездки на Памир обнаружил скрип в маятнике. разобрали, осмотрели - оказался сломанным болт №21, что на рис. http://www.megazip.ru/ru/bike/yamaha/view/1267/15521/193659#g192747). Ну ладно, подумали мы с другом - условия эксплуатации возможно были тяжеловаты, закажем его. И долгой зимой дождались нового японского брата. Установили - все ок. Но через неск. тысяч он снова ломается, в том же месте - у основания резьбы. При этом режим поездок был далеко не жестких условиях (плохие дороги/груженый моц и т.д). Тк сезон еще в полном разгаре, то перед МТ2013 смонстрячили такой же из того, что нашли в закромах сервиса...
Однако ввиду частоты периодичности одной и той же поломки возникает вопрос к бывалым - в чем может быть причина такого исхода болта?
Ломается болт в маятнике
Ломается болт в маятнике
|
#1 - 21 августа 2013, среда
|
|||
|
Посетитель
Сообщений: 8
3629 дней назад
|
0
Прикрепленные файлы:
|
||
|
#2 - 21 августа 2013, среда
|
|||
|
Посетитель
Сообщений: 1289
Опочка
1948 дней назад
|
0
Странная поломка, никогда такого не видел. Может аморт подклинивает и нагрузка на этот болт качалки передается?
TT600R, Санкт-Петербург
|
||
|
#3 - 21 августа 2013, среда
|
|||
|
Посетитель
Сообщений: 8
3629 дней назад
|
0
FZX: Странная поломка, никогда такого не видел. Может аморт подклинивает и нагрузка на этот болт качалки передается? Аморт не был замечен в в подклинивании. Работает в штатном режиме. Для уточнения: год выпуска моца - 2002, пробег - 42 ткм. Узлы маятника смазаны в начале этого сезона. |
||
|
#4 - 21 августа 2013, среда
|
|||
|
Посетитель
Сообщений: 1239
4 дня назад
|
0
Тоже столкнулся с подобным сразу после покупки мота.
Оторвало по резьбе, гайка с шайбой лежали под заглушкой. При замене маятника на алюминиевый, выяснилось, что у штатного ешё и участки, через которые ось маятника проходит, не в одной оси. Не знаю, где эту ХТ-ху немчура топтала, но видимо досталось ей серьёзно. После замены прошло немало лет - больше к этому узлу нареканий нет. Думаю, причина была в перезатяжке гайки. Болт был под напряжением + недетские нагрузки... Вот и не выдержал. Добавлю - аморт у немцев был удлинён проставкой, её я снял. Редактировалось: 1 раз (Последний: 21 августа 2013 в 12:26)
Я не "скАчу"...!
|
||
|
#5 - 21 августа 2013, среда
|
|||
|
Посетитель
Сообщений: 8
3629 дней назад
|
0
android: Тоже столкнулся с подобным сразу после покупки мота. Оторвало по резьбе, гайка с шайбой лежали под заглушкой. При замене маятника на алюминиевый, выяснилось, что у штатного ешё и участки, через которые ось маятника проходит, не в одной оси. Не знаю, где эту ХТ-ху немчура топтала, но видимо досталось ей серьёзно. После замены прошло немало лет - больше к этому узлу нареканий нет. Думаю, причина была в перезатяжке гайки. Болт был под напряжением + недетские нагрузки... Вот и не выдержал. Добавлю - аморт у немцев был удлинён проставкой, её я снял. У нас также было подозрение на несоблюдение усилия при затяжке. А как с соосностью порешали вопрос? |
||
|
#6 - 21 августа 2013, среда
|
|||
|
Посетитель
Сообщений: 1239
4 дня назад
|
0
gogaff: Да я маятник на алюминиевый менял, тогда и обнаружил. У родного несоосны были участки куда втулки 8 вставляются. Ума не приложу, как этого добились... А как с соосностью порешали вопрос? Может прыгали на ней? Ось маятника тоже слегка гнутая была, заменил.Я не "скАчу"...!
|
||
|
#7 - 21 августа 2013, среда
|
|||
|
Посетитель
Сообщений: 8
3629 дней назад
|
0
android: а что за зверь такой "люминиевый" маятник?gogaff: Да я маятник на алюминиевый менял, тогда и обнаружил. У родного несоосны были участки куда втулки 8 вставляются. Ума не приложу, как этого добились... А как с соосностью порешали вопрос? Может прыгали на ней? Ось маятника тоже слегка гнутая была, заменил. |
||
|
#8 - 21 августа 2013, среда
|
|||
|
Посетитель
Сообщений: 1239
4 дня назад
|
+1
gogaff: Да вроде сразу понятно, что маятник из алюминия. Такие на старых ХТ использовались с "верёвочным" задним тормозом. "Люмишка" весит 4,45 кг, "железяка" от моей 3ТВ 6,05 кг. Заметно легче, да и покрепче будет. Посадка в раме чуть уже ( это легко решилось установкой дистанционных шайб). И упор под суппорт спилить надо, в общем, доработки минимальные. Вот на фотке такой же примерял.а что за зверь такой "люминиевый" маятник? А это уже на месте. Если нужно, могу сделать фотки двух маятников рядом ( есть в загашнике оба варианта), ну и размерами поделиться. Я не "скАчу"...!
|
||
|
#9 - 22 августа 2013, четверг
|
|||
|
Посетитель
Сообщений: 8
3629 дней назад
|
0
android: Спасибо, да интересная тема! как будет время выложи, п-та.gogaff: Да вроде сразу понятно, что маятник из алюминия. Такие на старых ХТ использовались с "верёвочным" задним тормозом. "Люмишка" весит 4,45 кг, "железяка" от моей 3ТВ 6,05 кг. Заметно легче, да и покрепче будет. Посадка в раме чуть уже ( это легко решилось установкой дистанционных шайб). И упор под суппорт спилить надо, в общем, доработки минимальные. Вот на фотке такой же примерял.а что за зверь такой "люминиевый" маятник? А это уже на месте. Если нужно, могу сделать фотки двух маятников рядом ( есть в загашнике оба варианта), ну и размерами поделиться. |
||
|
#10 - 22 августа 2013, четверг
|
|||
|
Посетитель
Сообщений: 1239
4 дня назад
|
0
Вот фотки сделал:
Если нужны размеры, пиши какие - замеряю. П.С. Не стоит цитировать сообщения полностью, не к чему сайт грузить . Можно "цитировать выделенное" Редактировалось: 1 раз (Последний: 22 августа 2013 в 19:21)
Я не "скАчу"...!
|
||
|
#11 - 22 ноября 2013, пятница
|
|||
|
Посетитель
Сообщений: 278
Санкт-Петербург
1864 дня назад
|
0
Добавлю кошмариков:
Собственно два сломанных болта качалки. Первый, который сломан по резьбе, был сломан года три назад и заменен на новый оригинальный. Который в свою очередь поломался в конце этого сезона. XT600E'03, Санкт-Петербург
|
||
Быстрый ответ
У вас нет прав, чтобы писать на форуме.


Может прыгали на ней? Ось маятника тоже слегка гнутая была, заменил.




