Каталоги, я смотрю, продолжают удивлять.
Эпизод первый - "Передняя крышка стартера - три-в-одном за 8 тыщ", эпизод второй - "нижний ограничитель цепи - несобираемый конструктор". Теперь, похоже, эпизод третий.
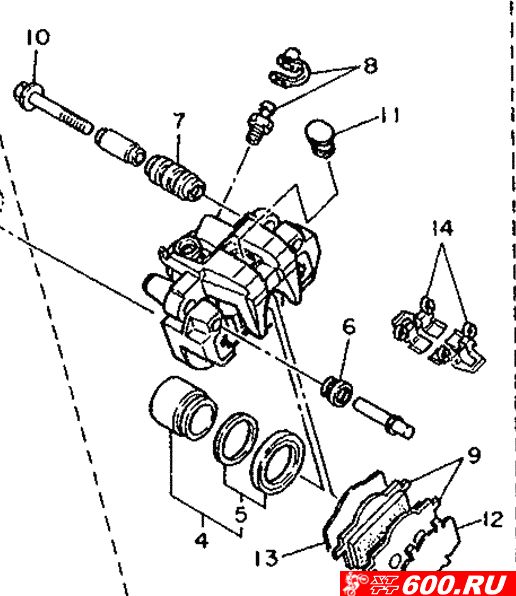
Каталог (ссылка):
Заказываем номер 14. Дорого, етиттвою, но чего делать?... приходит это:
В количестве 1 штука. В суппорт не влезает.
PS: внимательно вкурив каталог пришёл к неоднозначному выводу, что их вообще надо две. Но туда даже одна не влезает.
ЧЯДНТ?
Пружина тормозных колодок заднего суппорта
На опознание.
|
#1 - 18 июля 2012, среда
|
|
|
Администратор
Сообщений: 585
Тбилиси
31 день назад
|
0
|
|
#2 - 18 июля 2012, среда
|
|
|
Посетитель
Сообщений: 1239
4 дня назад
|
0
Деталь правильная, но их нужно две. Думаю, ты просто не разобрался , как их вставлять. Сделал фотку аналогичного суппорта от Tenere ( для наглядности вынул колодку со внутренней стороны).
Вроде всё понятно... Я не "скАчу"...!
|
|
#3 - 18 июля 2012, среда
|
|
|
Посетитель
Сообщений: 1239
4 дня назад
|
0
Самое простое объяснение - в "П" образном пропиле пружины проходит тормозной диск.
Я не "скАчу"...!
|
|
#4 - 18 июля 2012, среда
|
|
|
Администратор
Сообщений: 585
Тбилиси
31 день назад
|
0
Эвоно как. Блин, действительно я клювом щёлкнул.
Где бы тогда вторую найти... Опять месяц ждать и ездить со звоном |
|
#5 - 18 июля 2012, среда
|
|
|
Посетитель
Сообщений: 1239
4 дня назад
|
0
Владимир: Вы зря не любите собак - просто вы не умеете их готовить! действительно я клювом щёлкнул. Такие пружинки используются в переднем суппорте ИЖевской гидравлики ( т.н. "орионовский" суппорт). Сравни суппорт ИЖа и Ямахи . Они, по-моему, входят в ремкомплект суппорта. Пошуруди, например, на мазеппере. Думаю, что цена ремкомплекта будет ниже цены одной ямаховской пружинки. Я не "скАчу"...!
|
|
#6 - 18 июля 2012, среда
|
|
|
Администратор
Сообщений: 585
Тбилиси
31 день назад
|
0
Пойду набегу на местный чермет-мото-магазин :)
|
|
#7 - 19 июля 2012, четверг
|
|
|
Администратор
Сообщений: 585
Тбилиси
31 день назад
|
0
Неа. В ремкомплект не входят. Так что тоже фиг найдёшь где (
|
|
#8 - 19 июля 2012, четверг
|
|
|
Посетитель
Сообщений: 1239
4 дня назад
|
0
Да я уже посмотрел на Мазеппере. Можешь попробовать спросить по этому мылу - [email protected] . Человек давно торгует ижевскими новыми запчастями ( магазин при заводе в Ижевске). Ижатники с сайта motoizh.ru давно и часто пользуются его услугами. Проблем нет, продавец честный.
Я не "скАчу"...!
|
Быстрый ответ
У вас нет прав, чтобы писать на форуме.



