#16 - 1 марта 2017, среда
|
|
Посетитель
Сообщений: 159
Волгодонск
2011 дней назад
|
0
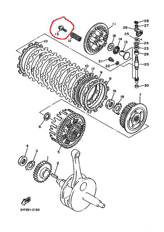
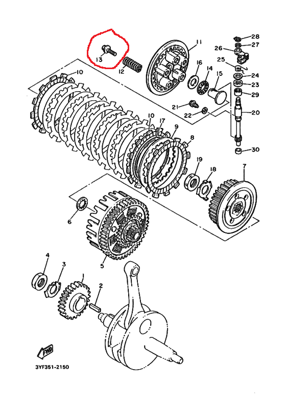
Саня:В итоге попал на замену и того , и дргого ? Это же космические деньги ) В итоге подложил шайбы, точнее шайбу-гровер, выпрямив предварительно (это если память не изменяет, может и простые шайбы толщиной около 2 мм.). А на ботинке муфты (где более сильные канавки, то есть более сильная выработка была) и на упорной втулке (где выработки почти не было) аккуратно срезал острые края ножиком, чтобы диски не цеплялись за них. Понимаю, что колхоз, но уже второй сезон от катал на таком сцеплении. Ручка сцепления жестче стала, но что нас не убивает-делает нас сильнее Если нет выработки на ботинке муфты и упорной втулке, надо искать причину в другом как мне кажется. мотоПОДВОХ:Видимо вы не читали тему по восстановлению Тенеры - лентяи Так то читал, но что-то про патрубки не дочитал. Смотрю в книгу-вижу фигу  Да и не думал, что от Тенеры могут подойти. Спасибо за ссылки! Как кстати Китай ходит? Терпимо? Или ну его на... Странно на ebay дешевле чем на алиэксперессе.
Редактировалось: 2 раза (Последний: 1 марта 2017 в 20:34)
ХТ600Е
|
#17 - 1 марта 2017, среда
|
|
Посетитель
Сообщений: 589
Богучар
1330 дней назад
|
0
Ставь шайбы под пружины смело,лижбы на дисках хоть чуть фрикциона осталось.
Иж планета-cb400-tt600e 1999
|
#18 - 1 марта 2017, среда
|
|
Посетитель
Сообщений: 13
Москва
3268 дней назад
|
0
Zeiss:Ставь шайбы под пружины смело,лижбы на дисках хоть чуть фрикциона осталось Ок,значит ставить 5 шайб, между гайкой (болтом) который притягивает пружину, и собственно самой пружиной, а как сильно притягивать каждую гайку, мб определённое количество поворотов ?
|
#19 - 1 марта 2017, среда
|
|
Посетитель
Сообщений: 589
Богучар
1330 дней назад
|
0
Честно тут не знаю как устроенно. Может быть до упора,а может определённое кол- во витковДобавлено спустя 2 минутыСкорее всего тут до упора. А если упора нет то просто еще подожми пружины гайками без шайб
Иж планета-cb400-tt600e 1999
|
#20 - 1 марта 2017, среда
|
|
Посетитель
Сообщений: 13
Москва
3268 дней назад
|
0
Zeiss:Честно тут не знаю как устроенно. Может быть до упора,а может определённое кол- во витков Судя по схеме, винт там стоит уже с шайбой, получается нужно тупо добавить еще по одной ? Добавлено спустя 1 минуту61Djek:В итоге подложил шайбы, точнее шайбу-гровер Еще по одной шайбе добавить в дополнение к той, которая уже стоит , судя по схеме. ?
|
#21 - 2 марта 2017, четверг
|
|
Посетитель
Сообщений: 159
Волгодонск
2011 дней назад
|
0
Саня:Еще по одной шайбе добавить в дополнение к той, которая уже стоит , судя по схеме. ? Так точно!  И затягивай до упора. Там метка есть на крышке-11, не забудь по метке крышку поставить. Центральным штоком там еще сцепление регулируется, его на схеме нет. Разберешь увидишь, там все просто.
ХТ600Е
|
#22 - 8 марта 2017, среда
|
|
Посетитель
Сообщений: 13
Москва
3268 дней назад
|
0
inostranez, Сколько денег за прокладку ?
|
#23 - 9 марта 2017, четверг
|
|
Посетитель
Сообщений: 189
Москва
2288 дней назад
|
0
Не могу её найти, потерялась
Kawasaki KLE500
|
#24 - 9 марта 2017, четверг
|
|
Посетитель
Сообщений: 159
Волгодонск
2011 дней назад
|
0
Саня:Сколько денег за прокладку ? Да вырежи ты ее сам!
ХТ600Е
|
#25 - 14 марта 2017, вторник
|
|
Посетитель
Сообщений: 13
Москва
3268 дней назад
|
0
Кто нибудь, дайте нормальный файл с макето Прокладки крышки сцепления. Тот файл что есть на сайте в формате CDR/ не открывается, уже и прогу скачал под него, все равно проблема.
|
#26 - 14 марта 2017, вторник
|
|
Посетитель
Сообщений: 82
Северодвинск
1346 дней назад
|
0
Саня: Кто нибудь, дайте нормальный файл с макето Прокладки крышки сцепления. Тот файл что есть на сайте в формате CDR/ не открывается, уже и прогу скачал под него, все равно проблема.
Левая и правая
XT600E '98
|
#27 - 16 марта 2017, четверг
|
|
Посетитель
Сообщений: 13
Москва
3268 дней назад
|
0
duremar: Саня: Кто нибудь, дайте нормальный файл с макето Прокладки крышки сцепления. Тот файл что есть на сайте в формате CDR/ не открывается, уже и прогу скачал под него, все равно проблема.
Левая и правая А с помощью какой программы открыть файлы ? Попробовал через эту прогу SHARECAD.ORG Но печатает на пол листа а4, как сделать оригинального размера ?
|
#28 - 21 марта 2017, вторник
|
|
Посетитель
Сообщений: 13
Москва
3268 дней назад
|
0
Ребята, добейте пожалуйства вопрос, не могу распечатать орининального размера прокладку на а4, помогите плз.
|
#29 - 22 марта 2017, среда
|
|
Посетитель
Сообщений: 71
Климовск
1237 дней назад
|
0
Саня: Ребята, добейте пожалуйства вопрос, не могу распечатать орининального размера прокладку на а4, помогите плз.
Тут лежат pdf, печатать в реальный размер. Правая на двух листах, вырезать и совместить по линиям. прокладки XT
|
#30 - 15 апреля 2020, среда
|
|
Посетитель
Сообщений: 589
Богучар
1330 дней назад
|
0
Посоветуйте пожалуйста пружины сцепления по жеще. Или может есть укого опыт подкладывания шайб под уставшие пружины?
Иж планета-cb400-tt600e 1999
|