Несколько вопросов о XT
Стартер, декомпрессор, клапана, итд
|
#211 - 18 августа 2014, понедельник
|
|
|
Посетитель
Сообщений: 138
Курган
3629 дней назад
|
+1
Слава, а это не оно? http://xt600.ru/forum/thread326-1.html#4946
XT600E 2001 4PTA
|
|
#212 - 19 августа 2014, вторник
|
|
|
Посетитель
Сообщений: 128
Голицино
1410 дней назад
|
0
Motoenduro: Оно!!! Спасибо Владимир! XT 600K 1994 3TB
|
|
#213 - 1 сентября 2014, понедельник
|
|
|
Посетитель
Сообщений: 128
Голицино
1410 дней назад
|
0
Изначально не работал декомпрессор по причине обрыва троса, трос был в наличии, валялся отдельно. Восстановить можно было, но засада, на нем нет упора оплетки, что ставится на головку (кронштейн на тросу видно на фото, фото сперто у Андройда
) Открыл каталог, выбрав кикстартерный СеРыКС, вижу трос вместе с этим кронштейном - это одна деталь, соответственно заказал. И вот он приехал.....без кронштейна Х%:?:?(_:_) Буду отдавать заказ выстругать то что мне нужно на завод. Прошу помочь с фоткой этого кронштейна и основными габаритными размерами. Если у кого завалялась сия деталь - буду несказанно рад, если поделитесь)) XT 600K 1994 3TB
|
|
#214 - 1 сентября 2014, понедельник
|
|
|
Посетитель
Сообщений: 1289
Опочка
1948 дней назад
|
0
Слава, так там сколхозить можно этот кронштейн самому. Я бы сделал втулку упорную под рубашку троса (сталь), загнул пластину из металла под болт ГБЦ, приварил бы к ней эту втулку.
Фотку сделаю в выхи, если забу- напомни мне в личку ))) TT600R, Санкт-Петербург
|
|
#215 - 1 сентября 2014, понедельник
|
|
|
Посетитель
Сообщений: 1289
Опочка
1948 дней назад
|
0
Втулка из стержня круглого диаметром примерно 10мм, прорезь сбоку и отверстие с торца под рубашку на 3-4 мм вглубь, потом отрезать от стержня так, чтобы отверстие под рубашку было не насквозь.
TT600R, Санкт-Петербург
|
|
#216 - 1 сентября 2014, понедельник
|
|
|
Посетитель
Сообщений: 128
Голицино
1410 дней назад
|
0
FZX: Слава, так там сколхозить можно этот кронштейн самому. Я бы сделал втулку упорную под рубашку троса (сталь), загнул пластину из металла под болт ГБЦ, приварил бы к ней эту втулку. Фотку сделаю в выхи, если забу- напомни мне в личку ))) Предварительное спасибо! По той фотке что вкладывал видно, что он не особо сложной формы, но для приличного колхозинга нужна нормальная фотка, крупным планом. XT 600K 1994 3TB
|
|
#217 - 1 сентября 2014, понедельник
|
|
|
Посетитель
Сообщений: 1289
Опочка
1948 дней назад
|
0
Слава, фотка будет.
TT600R, Санкт-Петербург
|
|
#218 - 1 сентября 2014, понедельник
|
|
|
Посетитель
Сообщений: 1239
4 дня назад
|
0
Слава: Вид спереди - ... для приличного колхозинга нужна нормальная фотка, крупным планом. Вид сзади - Я не "скАчу"...!
|
|
#219 - 1 сентября 2014, понедельник
|
|
|
Посетитель
Сообщений: 128
Голицино
1410 дней назад
|
0
Android, спасибо!!!
Вопрос закрыт.XT 600K 1994 3TB
|
|
#220 - 1 сентября 2014, понедельник
|
|
|
Посетитель
Сообщений: 595
2141 день назад
|
0
так-то отдельно это деталь. что на селёдке
http://www.megazip.ru/zapchasti-dlya-motocyklov/yamaha/srx600-10079/srx600-23674/srx600s-750803#g12709433/camshaft-chain что на ХТ http://www.megazip.ru/zapchasti-dlya-motocyklov/yamaha/xt600-4274/xt600-25988/xt600s-752390#g12773617/camshaft-chain мне вроде вместе с б/у тросом досталась, по случаю. так и лежит. спросил бы |
|
#221 - 2 сентября 2014, вторник
|
|
|
Посетитель
Сообщений: 128
Голицино
1410 дней назад
|
0
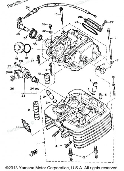
Busse: так-то отдельно это деталь. что на селёдке http://www.megazip.ru/zapchasti-dlya-motocyklov/yamaha/srx600-10079/srx600-23674/srx600s-750803#g12709433/camshaft-chain что на ХТ http://www.megazip.ru/zapchasti-dlya-motocyklov/yamaha/xt600-4274/xt600-25988/xt600s-752390#g12773617/camshaft-chain мне вроде вместе с б/у тросом досталась, по случаю. так и лежит. спросил бы Спасибо BUSSE Каталог каталогу рознь, считал каталог Партзиллы самым полным, до этого случая... XT 600K 1994 3TB
|
|
#222 - 2 сентября 2014, вторник
|
|
|
Посетитель
Сообщений: 1289
Опочка
1948 дней назад
|
0
Слава, дело не в каталоге, ты не тот лист просто смотрел ;)
Вот этот же лист в мегазипе http://www.megazip.ru/zapchasti-dlya-motocyklov/yamaha/xt600-4274/xt600-25988/xt600s-752390#g12772929/golovka-tzilindrov TT600R, Санкт-Петербург
|
|
#223 - 2 сентября 2014, вторник
|
|
|
Посетитель
Сообщений: 128
Голицино
1410 дней назад
|
0
FZX: Слава, дело не в каталоге, ты не тот лист просто смотрел ;) Вот этот же лист в мегазипе http://www.megazip.ru/zapchasti-dlya-motocyklov/yamaha/xt600-4274/xt600-25988/xt600s-752390#g12772929/golovka-tzilindrov А ты прав, зря значит на Партзилу наезжаю, спасибо Гош!!! XT 600K 1994 3TB
|
|
#224 - 2 сентября 2014, вторник
|
|
|
Посетитель
Сообщений: 595
2141 день назад
|
0
каталоги-то производителем предоставлены) там даже снизу написано на каждом листе;)
|
|
#225 - 17 октября 2014, пятница
|
|
|
Посетитель
Сообщений: 278
Санкт-Петербург
1864 дня назад
|
0
Не снимая двигателя можно снять головку и цилиндр. Неудобно, но можно.
DenXT600: Ну и так для справки появился расход масла около 2 л. на 7000 км. А раньше что не было расхода? Смотри маслосъемные колпачки и кольца поршневые заодно. Если головку снимешь, цилиндр снять 5 минут. XT600E'03, Санкт-Петербург
|
Быстрый ответ
У вас нет прав, чтобы писать на форуме.
) 


Вопрос закрыт.