Ремонт двигателя ХТ600Е
|
#16 - 2 марта 2017, четверг
|
|||
|
Посетитель
Сообщений: 189
Москва
2243 дня назад
|
0
Это что же это там такое в левом карбе-то?
Kawasaki KLE500
|
||
|
#17 - 2 марта 2017, четверг
|
|||
|
Посетитель
Сообщений: 159
Волгодонск
1966 дней назад
|
0
Баринос: При чём тут зажигание? Фазы сдвинуты.. Я и хотел написать, что фазы сдвинуты, зажигание уж точно не причем , был не трезв, извиняюсь. Седла клапанов сказали в порядке, только немного поправить надо. Баринос: Мануал я в первую очередь распечатал ну и естественно читал, поэтому и задавал вопросы расточникам. Более того показывал им мануал со всеми размерами. Их ответы описывал выше. Я не расточник, нужного инструмента не имею, и такой инструмент никто не даст, тем более не умею им грамотно пользоваться, поэтому и решил, что любой расточник справиться с поставленной перед ним задачей и сможет пояснить моменты в которых я чего-то не понимаю. Двигатель собрать и разобрать так то не сложно, лишь бы расточили как надо. Расточники мне нормальных ответов не дали, поэтому стал интересоваться здесь. А были бы деньги большие, то может и отвез бы мот в Ростов, а лучше поменял бы на более свежий Но мануал то, для начала нужно почитать. Тут на запчасти то ели насобирал и то не все. Уже приходила мысль, что надо все мыть и назад собирать, чтоб сезон не пропустить. Дочь родилась, внесла сильные коррективы в семейный бюджет ВесёлыйГАЗЕЛИСТ: Свеча отъездила 1 сезон, это около 3000 км. продали мне ее в магазине "Мотомир" подбирали по каталогу, в остальных магазинах тупо не было. Свеча не родная-факт (да ещё и мертвая 5 веков назад была) Спасибо за советы и подзатыльники Остался вопрос -Как люфт шатуна измерить правильно? ХТ600Е
|
||
|
#18 - 2 марта 2017, четверг
|
|||
|
Посетитель
Сообщений: 307
Химки
1617 дней назад
|
0
61Djek: это значит- рассухаривать и притирать. Хотя хз, что эти деятели имели ввиду. Не вытаскивая клапана. Неужели у Вас в городе нормальных мотористов немае?только немного поправить надо. Шатун на подше. Если вращается легко- забей. Ну можно зазор на щеках щупом ткнуть. Чего ты к копеечной свече то допытался? Денсо 24 ЕРR-U9- стоит 120 рупий. Всё равно карб разбирать, мыть-чистить, диафрагму смотреть, иглы-сёдла проверять, поплавок- уровень смотреть. Потом настраивать. До этого ещё, как до Находки на велике. Гы. Свечку я тебе могу отправить. Редактировалось: 1 раз (Последний: 2 марта 2017 в 22:40)
Чищу и настраиваю карбы. Ремонтирую пластик и стеклопластик, ветровые стекла http://xt600.ru/blogs/remont-plastika-i-steloplastika. ТА 600 VV (97) => XT 600 Z Tenere ( 3AJ, 89).
|
||
|
#19 - 3 марта 2017, пятница
|
|||
|
Посетитель
Сообщений: 159
Волгодонск
1966 дней назад
|
0
Я знаю, что такое поправить, раньше всегда говорил притереть, но специалисты сказали, что я говорю не верно и им очень режет ухо. Это в Новочеркасске такие специалисты, им я так понял со всей области головы возят. Клапана самой собой вынимали. Выхлоп поправлять надо, впуск в норме, но чуток сказали терануть все же впуск. Мотористов достаточно, но они как электрики-нормальных как я понял нет, точнее мотористы есть, а расточников нет. Разделение труда так сказать, одни собирают разбирают, другие точат. У одних нутромеры, микрометры, у других динамометрические ключи и всякие приблуды для снятия и установки всяких запчастей. После ремонта двигателя, если что-то не так, они потом обычно друг на друга стрелки переводят. Поэтому и ездил к трем расточникам, чтобы по расспрашивать, информации подчерпнуть для себя, и проверить кто как измеряет. Результат на лицо, три разных замера. Правда приговор один
. Рено Магнум и Мерс Спринтер только в Питер гоняем ремонтировать, здесь им даже в Ростове ума дать не смогли, а может мы нормальных мастеров не нашли. Ни топку нормально сделать не могут, отдали 60т.р. за ремонт и только до Питера доехать хватило (это про Магнум), ни причину неисправности найти (это про Спринтер) то один датчик им поменяй то второй то третий. Так как они ремонтируют и сами можем. К свече больше приставать не буду. В карбюратор очень боюсь лезть, так как дальше фильтра под клапаном поплавка не лазил за 5 лет использования мото. Но жалоб на него не поступало, кроме вышеуказанного фильтра. Расход был в районе 7-7,5 литра всегда иногда 8, в основном по степям да песчаному берегу Дона и Цимлянского водохранилища катаемся. А есть у кого нибудь каталожный номер или ссылка на цепь с замком? Где то видел вроде на форуме, а найти теперь не могу. ХТ600Е
|
||
|
#20 - 3 марта 2017, пятница
|
|||
|
Посетитель
Сообщений: 307
Химки
1617 дней назад
|
0
61Djek: Это шибко много.7-7,5 литра всегда иногда 8 В карб лезть надо. Не бойся. Запасись карбклинером, силиконкой, компрессором, штангеном. Только снаружи его отмой хорошенько. Кстати, не увидел расслоения патрубка. Про цепочку- в теме Виктора Мотоподвоха. Если нужно. позвоню ему, уточню бренд и партнамбер. Себе, наверное тоже буду такую ставить. Прикрепленные файлы:
Редактировалось: 3 раза (Последний: 3 марта 2017 в 09:31)
Чищу и настраиваю карбы. Ремонтирую пластик и стеклопластик, ветровые стекла http://xt600.ru/blogs/remont-plastika-i-steloplastika. ТА 600 VV (97) => XT 600 Z Tenere ( 3AJ, 89).
|
||
|
#21 - 3 марта 2017, пятница
|
|||
|
Посетитель
Сообщений: 85
Альметьевск
2546 дней назад
|
0
61Djek: каталожный номер или ссылка на цепь с замком? http://www.autopiter.ru/goods/520x1r2106/jt/id107510511 Вот нормальная цепочка, но посмотри есть ли отделение этого магаза в твоём городе или узнай насчет доставки на сайте. Цепочка по каталожному номеру: https://www.megazip.ru/zapchasti-dlya-motocyklov/yamaha/xt600-4274/xt600-30637/4pt9-758259/rear-wheel-complete-assy-12978212#/il-305716040 думаю, она того не стоит one of the genus of motorcyclists
|
||
|
#22 - 3 марта 2017, пятница
|
|||
|
Посетитель
Сообщений: 1239
4 дня назад
|
0
Shalashov, насколько я понимаю, речь идёт о цепи распредвала...
Я не "скАчу"...!
|
||
|
#23 - 3 марта 2017, пятница
|
|||
|
Посетитель
Сообщений: 159
Волгодонск
1966 дней назад
|
0
Баринос: . У нас в городе четыре ХТ 600, мой бензина ел не больше и не меньше трех других, а четвертый так 10 на 100 жрал, правда черным дымком чадил, но и резвее всех был. Это шибко много. Баринос: . Фото выложу как в гараж попаду. Левый целый, но уже видно что вот-вот. А правый совсем плохой, там уже и герметиком мазали. Не исключаю, что весь ремонт из-за правого патрубка, так как грязь в правом входе карбюратора видно не вооруженным глазом. Кстати, не увидел расслоения патрубка. За бренд и партнамбер цепочки буду очень признателен, и еще двое ХТ-водов в нашем городе будут очень признательны. У троих растянулись. Редактировалось: 1 раз (Последний: 3 марта 2017 в 20:10)
ХТ600Е
|
||
|
#24 - 3 марта 2017, пятница
|
|||
|
Посетитель
Сообщений: 159
Волгодонск
1966 дней назад
|
0
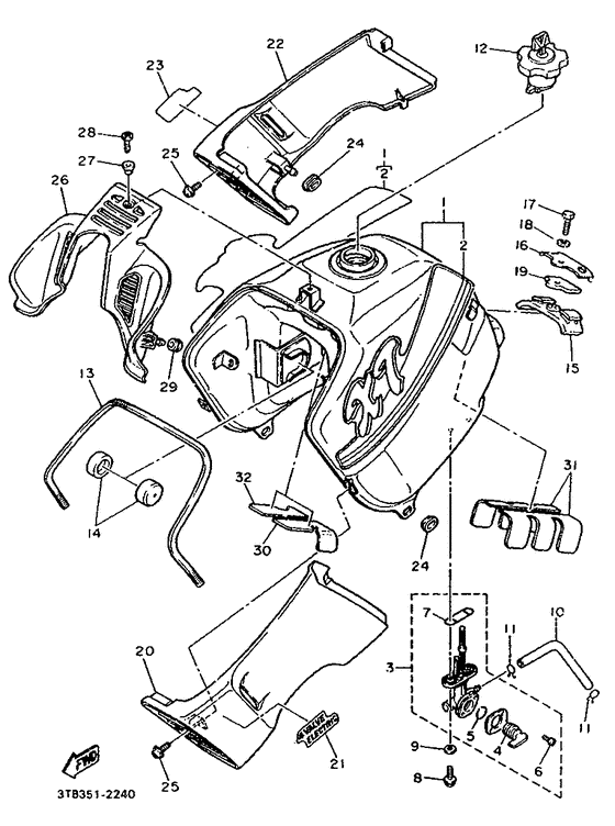
Еще вопрос. Бензокран пропускает не много, летом не видно-только запах, а зимой шланг инеем покрывается, ну и пятно не большое за неделю. Эти краны ремонто-пригодны или целиком менять? На схеме:
вроде как уплотнительное кольцо есть №5, сам кран еще не разбирал. Может его достаточно поменять будет? Редактировалось: 1 раз (Последний: 3 марта 2017 в 21:12)
ХТ600Е
|
||
|
#25 - 3 марта 2017, пятница
|
|||
|
Посетитель
Сообщений: 589
Богучар
1285 дней назад
|
0
На али их куча,цена низкая. Но возможно что течет из под уплотнения крана с баком,там оринг стоитДобавлено спустя 6 минут
61Djek: Неверю. Моя тт когда я ее взял жрала 8 литров,богатило люто. И неехало нифига. Заменил жик и вуаля,прет как танк,кушает 3.5 4.5 л У нас в городе четыре ХТ 600, мой бензина ел не больше и не меньше трех других, а четвертый так 10 на 100 жрал, правда черным дымком чадил, но и резвее всех был. Иж планета-cb400-tt600e 1999
|
||
|
#26 - 3 марта 2017, пятница
|
|||
|
Посетитель
Сообщений: 159
Волгодонск
1966 дней назад
|
0
Похоже все таки, что именно кран пропускает, так как иней образовался именно на конце трубки резиновой, что после крана, и пятно бензина на месте соприкосновения данной трубки с деревянным покрытием. Думаю иней и под баком на месте крепления крана образовался бы.
По поводу сколько жрут-чистая правда. Никто из нас в карб никогда носа не засовывал. По поводу резвости чисто наше субъективное мнение! Но со светофора уходил всегда первым испуская черный дым. ХТ600Е
|
||
|
#27 - 3 марта 2017, пятница
|
|||
|
Посетитель
Сообщений: 307
Химки
1617 дней назад
|
0
61Djek: Не тем герметиком. нужно полиуретановым, типа каким стёкла вклеивают.там уже и герметиком мазали. Жрать должен в раоне 6-ти литров. Про краник- сними его и разбери. Колечки в автозапчастях, или для грузовиков подберёшь по образцу. 61Djek: Весёлые вы ребята, однако. А потом удивления полные штаны- "чего это движку пипец случился?" Масло то хоть меняете? Никто из нас в карб никогда носа не засовывал. Разъёмная цепочка Morze 82RH 2015-126L open. Японическая. Редактировалось: 1 раз (Последний: 5 марта 2017 в 15:12)
Чищу и настраиваю карбы. Ремонтирую пластик и стеклопластик, ветровые стекла http://xt600.ru/blogs/remont-plastika-i-steloplastika. ТА 600 VV (97) => XT 600 Z Tenere ( 3AJ, 89).
|
||
|
#28 - 3 марта 2017, пятница
|
|||
|
Посетитель
Сообщений: 589
Богучар
1285 дней назад
|
0
Баринос: Щяс,чуть потеплеет специально сотку прокачу с постоянной скоростью,чисто любопыцтва ради.Жрать должен в раоне 6-ти литров. Иж планета-cb400-tt600e 1999
|
||
|
#29 - 5 марта 2017, воскресенье
|
|||
|
Посетитель
Сообщений: 589
Богучар
1285 дней назад
|
0
Во парни как магнит снимать надо,делов на 5 мин. https://youtu.be/ElTckf9IjiE
Иж планета-cb400-tt600e 1999
|
||
|
#30 - 5 марта 2017, воскресенье
|
|||
|
Посетитель
Сообщений: 9
Москва
1565 дней назад
|
0
Вот так как раз снимать нельзя.Руки оторвать таким мастерам.Греть нельзя ни в коем случае,иначе ротор можно выкидывать.Нужен съёмник хороший и молоток большой,натянул и один резкий удар.
|
||
Быстрый ответ
У вас нет прав, чтобы писать на форуме.
, был не трезв, извиняюсь. Седла клапанов сказали в порядке, только немного поправить надо.
Тут на запчасти то ели насобирал и то не все. Уже приходила мысль, что надо все мыть и назад собирать, чтоб сезон не пропустить. Дочь родилась, внесла сильные коррективы в семейный бюджет
. Рено Магнум и Мерс Спринтер только в Питер гоняем ремонтировать, здесь им даже в Ростове ума дать не смогли, а может мы нормальных мастеров не нашли. Ни топку нормально сделать не могут, отдали 60т.р. за ремонт и только до Питера доехать хватило (это про Магнум), ни причину неисправности найти (это про Спринтер) то один датчик им поменяй то второй то третий. Так как они ремонтируют и сами можем. 
