Нет андроид, эта перемычка у меня тоже есть, щас я попробую на фото показать куда подходят трубки от этой фигни
Одна трубка подходит к вторичному карбюратору вот сюда
Вторая трубка в районе подсоса
Нужна помощь с карбюратором
нет холостых
|
#16 - 15 августа 2018, среда
|
|
|
Посетитель
Сообщений: 110
Калуга
1907 дней назад
|
0
|
|
#17 - 15 августа 2018, среда
|
|
|
Посетитель
Сообщений: 1239
4 дня назад
|
0
Хрен его знает... На четырёх карбах, которые смог сейчас посмотреть, там вроде и приливов нет чтобы привязать такую байду.
Я не "скАчу"...!
|
|
#18 - 16 августа 2018, четверг
|
|
|
Посетитель
Сообщений: 90
Екатеринбург
2553 дня назад
|
0
Выкинь эту байду.
Я так понимаю к ней приходят шланги от вентиляции поплавковой камеры. В стоке там тройник стоит. Один шланг вниз идёт, другой вверх под сиденье. Служат для того чтоб в поплавковой камере всегда было атмосферное давление. |
|
#19 - 16 августа 2018, четверг
|
|
|
Посетитель
Сообщений: 95
Раменское
1349 дней назад
|
0
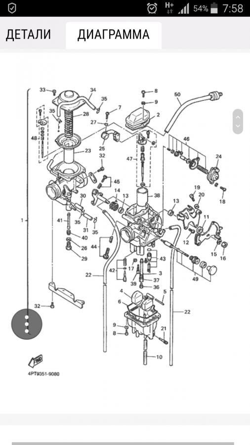
Александр: В район оси крепления заднего маятника (см. верхнее фото сообщения #9)куда у вас эти трубки идут? Судя по Вашим фото (из сообщения #12), на карб нужно добавить фильтр с трубкой, один конец которой будет присоединяться к патрубку камеры с мембраной, другой, оканчивающийся фильтром, свободно будет "болтаться" в районе верхнего крепления амортизатора (на верхнем фото из сообщения #9 его видно, на схеме поз.50) Схема трубок ниже Редактировалось: 1 раз (Последний: 16 августа 2018 в 08:02)
|
|
#20 - 16 августа 2018, четверг
|
|
|
Посетитель
Сообщений: 110
Калуга
1907 дней назад
|
0
Buch: Александр: В район оси крепления заднего маятника (см. верхнее фото сообщения #9)куда у вас эти трубки идут? Судя по Вашим фото (из сообщения #12), на карб нужно добавить фильтр с трубкой, один конец которой будет присоединяться к патрубку камеры с мембраной, другой, оканчивающийся фильтром, свободно будет "болтаться" в районе верхнего крепления амортизатора (на верхнем фото из сообщения #9 его видно, на схеме поз.50) Схема трубок ниже Этот шланг у меня имеется, просто его на фото нет. Время будет, я сделаю нормальное фото что бы бло видно куда трубки подсоединены Редактировалось: 1 раз (Последний: 16 августа 2018 в 15:39)
|
|
#21 - 17 августа 2018, пятница
|
|
|
Посетитель
Сообщений: 189
Москва
2243 дня назад
|
0
Правый передний поворотник у тебя печальный... могу подарить задний б/у более целый)
Kawasaki KLE500
|
|
#22 - 18 августа 2018, суббота
|
|
|
Посетитель
Сообщений: 110
Калуга
1907 дней назад
|
0
inostranez: Правый передний поворотник у тебя печальный... могу подарить задний б/у более целый) Буду весьма признателен. |
|
#23 - 19 августа 2018, воскресенье
|
|
|
Посетитель
Сообщений: 110
Калуга
1907 дней назад
|
0
Ребята добрался наконец то до гаража, вот два фото на которых видно куда две трубки от приблуды идут, одна как я уже писал подходит к задней части вторичного карбюратора (на фото не видно, я дорисовал, соединение корпуса воздушного фильтра упирается в эту трубка когда натягиваешь его на карбюратор )
А вторая трубка находится прям за винтом холостого хода Куда у вас идут эти трубки? Редактировалось: 1 раз (Последний: 19 августа 2018 в 10:35)
|
|
#24 - 20 августа 2018, понедельник
|
|
|
Посетитель
Сообщений: 1239
4 дня назад
|
0
Александр: У меня ни на одном из четырёх карбюраторов этих трубок просто нет. Как и мест их подсоединения.Куда у вас идут эти трубки? Задняя часть вторичного карбюратора - Винт холостого хода удалил для лучшего обзора - Я не "скАчу"...!
|
|
#25 - 20 августа 2018, понедельник
|
|
|
Посетитель
Сообщений: 95
Раменское
1349 дней назад
|
0
android: Аналогично. Может их закольцевать, чтобы грязь не летела? У меня ни на одном из четырёх карбюраторов этих трубок просто нет Редактировалось: 1 раз (Последний: 20 августа 2018 в 14:40)
|
|
#26 - 20 августа 2018, понедельник
|
|
|
Посетитель
Сообщений: 110
Калуга
1907 дней назад
|
0
Да что же это за приблуда такая волшебная
, на ней есть номер, но по нему ничего в яндексе не пробилось..В действительности значит я могу просто заглушить эти трубки и все.Но блин тупо интересно для чего она нужна, зимой время будет, попробую разобрать ее |
|
#27 - 21 августа 2018, вторник
|
|
|
Посетитель
Сообщений: 307
Химки
1617 дней назад
|
0
Александр, На импексе по модели-году-региону продаж, номеру рамы и движка открой микрофиши, там должно быть.
Да и в мануалии наверняка прописано про Это. И, если на работающем посдёргивать поочерёдно шлангики, методом "научного тыка", можно попробовать понять, нахрена Это нужно. Редактировалось: 2 раза (Последний: 21 августа 2018 в 22:58)
Чищу и настраиваю карбы. Ремонтирую пластик и стеклопластик, ветровые стекла http://xt600.ru/blogs/remont-plastika-i-steloplastika. ТА 600 VV (97) => XT 600 Z Tenere ( 3AJ, 89).
|
|
#28 - 23 августа 2018, четверг
|
|
|
Посетитель
Сообщений: 110
Калуга
1907 дней назад
|
0
Баринос: Александр, На импексе по модели-году-региону продаж, номеру рамы и движка открой микрофиши, там должно быть. Да и в мануалии наверняка прописано про Это. И, если на работающем посдёргивать поочерёдно шлангики, методом "научного тыка", можно попробовать понять, нахрена Это нужно. Наклейки под сиденьем у меня нету, на раме написано модель 3UX, ни на импексе, ни на мегазипе нет моей модели в этом цвете и подходящий регион продаж, пытался уже найти Единственное что там подошло это 3TB 1993г, как раз в цвете Forest Green |
|
#29 - 23 августа 2018, четверг
|
|
|
Посетитель
Сообщений: 307
Химки
1617 дней назад
|
0
Александр: А это что, по твоему? https://www.impex-jp.com/catalogs/moto/yamaha-other/xt-600/38419/Alternate-1212782.html, https://www.impex-jp.com/catalogs/moto/yamaha-other/xt-600/38432.html, https://www.impex-jp.com/catalogs/moto/yamaha-other/xt-600/38458.html Самолёты?3UX, ни на импексе, Или цвет важнее? Чищу и настраиваю карбы. Ремонтирую пластик и стеклопластик, ветровые стекла http://xt600.ru/blogs/remont-plastika-i-steloplastika. ТА 600 VV (97) => XT 600 Z Tenere ( 3AJ, 89).
|
|
#30 - 24 августа 2018, пятница
|
|
|
Посетитель
Сообщений: 110
Калуга
1907 дней назад
|
0
Баринос спасибо,прям носом тыкнул))) Вот только эта деталь которая под номером 16 в каталоге идет почему то как карбюратор в сборе 3
|
Быстрый ответ
У вас нет прав, чтобы писать на форуме.







, на ней есть номер, но по нему ничего в яндексе не пробилось..В действительности значит я могу просто заглушить эти трубки и все.Но блин тупо интересно для чего она нужна, зимой время будет, попробую разобрать ее