#106 - 24 апреля 2012, вторник
|
|
Посетитель
Сообщений: 1289
Опочка
1948 дней назад
|
0
Владимир:Ну вот эти: 1995-2003 - 41x53x8/9,5, плюс пыльники к ним. В принципе, можно в четверг или пятницу доехать до Спб, взять запчасти, в мотосервисе их сразу поставить и вернуться уже не поломатым. Есть сальники за 650 рэ, и пыльники за 650 рэ, итого 1300 за все (ну плюс масло еще). Вот тут : http://www.moto-service.ru/ Менять не знаю где, советую поискать в инете инфу и записаться в мотосервис зарание. Могу запустить к себе в гараж, инструмент есть. Помогать к сожалению не смогу только, у самого дел очень много. И не помню, есть ли у меня ключик хитрый для перьев (который держит гайку изнутри) - гдето был, но могу не найти.
TT600R, Санкт-Петербург
|
#107 - 24 апреля 2012, вторник
|
|
Посетитель
Сообщений: 114
Силламяэ (Эст)
4725 дней назад
|
0
FZX: могу даже свой старый отдать, он еще живой. самовывоз :)
Пасиб конечно но я из Эстонии=)
|
#108 - 24 апреля 2012, вторник
|
|
Посетитель
Сообщений: 1289
Опочка
1948 дней назад
|
0
Sergei4: FZX: могу даже свой старый отдать, он еще живой. самовывоз :)
Пасиб конечно но я из Эстонии=)  Ну малоли Я кстати себе новый акум покупал в Финке, в мотонете. Отдал за него около 25 евро.
Редактировалось: 1 раз (Последний: 24 апреля 2012 в 17:59)
TT600R, Санкт-Петербург
|
#109 - 24 апреля 2012, вторник
|
|
Посетитель
Сообщений: 114
Силламяэ (Эст)
4725 дней назад
|
0
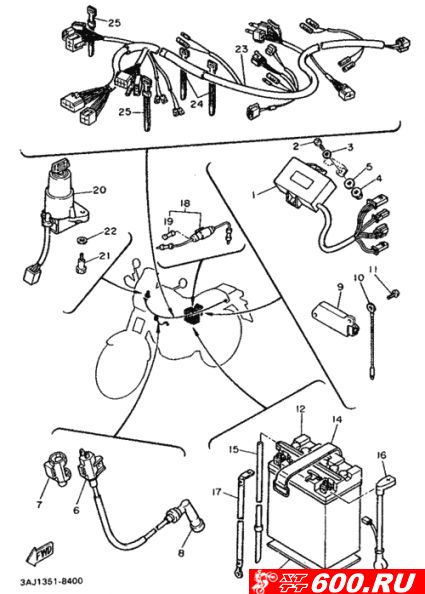
Изучая мануал наткнулся на такую особенность, у меня справа от акума стоит какой то коричневый блок, а на картинке из мануала его нету, если бы у меня его не было то акум который предлагает каталог бы туда встал без проблем. Владельцы ХТ с эл стартелом, у вас стоит там этот блок?
|
#110 - 24 апреля 2012, вторник
|
|
Посетитель
Сообщений: 1289
Опочка
1948 дней назад
|
0
Sergei4:Владельцы ХТ с эл стартелом, у вас стоит там этот блок? нет такого, точно. посмотри в каталоге запчастей его название и переведи, или в мануале.
TT600R, Санкт-Петербург
|
#111 - 24 апреля 2012, вторник
|
|
Посетитель
Сообщений: 1239
4 дня назад
|
0
Sergei4:Владельцы ХТ с эл стартелом, у вас стоит там этот блок? Этот блок внешне похож на коммутатор. У ХТ600Е он расположен на корпусе воздушного фильтра рядом со шноркелем под сиденьем. Можешь его туда перевести и будет место для аккума. Качественные аккумы в эстонии недорого есть на Реноваре ( Таллин, Тарту). Вот ссылка на размеры и расположение клемм - http://www2.renovaar.ee/userfiles/varta%20moba%20net.pdf Я себе брал YTX9-BS ( по списку 50812).
Я не "скАчу"...!
|
#112 - 24 апреля 2012, вторник
|
|
Администратор
Сообщений: 585
Тбилиси
31 день назад
|
0
Есть сальники за 650 рэ, и пыльники за 650 рэ, итого 1300 за все Вот спасибо, товарищ. У нас, оказывается, есть гонец в MC, который таскает в Псков погремушки с Кондратьевского. Отправил ему СМСкой чего надо купить, надеюсь справится и запчастюльки к пятнице уже будут у меня в вилке. Владельцы ХТ с эл стартелом, у вас стоит там этот блок? Нету такого. ЧТО ЭТО? o_O
|
#113 - 24 апреля 2012, вторник
|
|
Посетитель
Сообщений: 114
Силламяэ (Эст)
4725 дней назад
|
0
android: Этот блок внешне похож на коммутатор. У ХТ600Е он расположен на корпусе воздушного фильтра рядом со шноркелем под сиденьем. Можешь его туда перевести и будет место для аккума.
Да наверное так и зделаю. Ты тоже я так понимаю из Эстонии, с какого города? Я хз что это за блок =)
|
#114 - 25 апреля 2012, среда
|
|
Посетитель
Сообщений: 281
Украина. Харьков
2998 дней назад
|
0
Это и есть мозги, блок TSI. Только похоже, его тудой сами поставили. На моей мозги стоят в хвосте.
мотогараж "кочевник" ,г.Харьков.098 8550273
|
#115 - 25 апреля 2012, среда
|
|
Посетитель
Сообщений: 114
Силламяэ (Эст)
4725 дней назад
|
0
Неее этот блок там стоит штатно, там спец отливка на корпусе фильтра и резиночка специальная! А в хвосте рядом с фарой тоже какая то хреновинка есть.
|
#116 - 25 апреля 2012, среда
|
|
Администратор
Сообщений: 585
Тбилиси
31 день назад
|
0
Изображение уменьшено. Щелкните, чтобы увидеть оригинал.
Судя по всему, были модели XT с мозгами в районе аккумулятора. Были и модели с ними где-то под баком.
|
#117 - 25 апреля 2012, среда
|
|
Посетитель
Сообщений: 1239
4 дня назад
|
0
Sergei4:А в хвосте рядом с фарой тоже какая то хреновинка есть На ХТ600Е там находится регулятор-выпрямитель ( на схеме. поз.9). Для лучшего охлаждения прикручен к раме. Для ХТ600К не требуется такой мощный аккумулятор, как для ХТ600Е - он меньше, возможно из-за этого и различия в расположении коммутатора. На ТТ600S( 4GV)коммутатор вообще выведен наверх, к рулевой колонке. Наверное из-за того, что мотоцикл более "боевой", чем ХТ.
Я не "скАчу"...!
|
#118 - 25 апреля 2012, среда
|
|
Посетитель
Сообщений: 114
Силламяэ (Эст)
4725 дней назад
|
0
Акум заказан, коммутатор будет перенесён под сиденье.
|
#119 - 25 апреля 2012, среда
|
|
Администратор
Сообщений: 585
Тбилиси
31 день назад
|
0
Народ, а нет ли у кого фотки вот этого участка вживую:
Изображение уменьшено. Щелкните, чтобы увидеть оригинал.
Это нижний ролик ограничения цепи. 3 детали из 4-х мне привезли (четвёртую Exist упорно ищет по своему складу), но ребус не складывается - болт что-то коротковат. Вот три обведённые детальки:
Изображение уменьшено. Щелкните, чтобы увидеть оригинал.
Изображение уменьшено. Щелкните, чтобы увидеть оригинал.
|
#120 - 25 апреля 2012, среда
|
|
Посетитель
Сообщений: 1239
4 дня назад
|
0
Вот, сделал. Заодно и от говен протёр.
Изображение уменьшено. Щелкните, чтобы увидеть оригинал.
Мой болтик длинее  , снаружи ещё и гайкой прихвачен.
Я не "скАчу"...!
|