#241 - 11 ноября 2014, вторник
|
|
Посетитель
Сообщений: 1239
4 дня назад
|
0
Sanek658:Подскажите пожалуйста размер АКБ Это подскажет любой нормальный мотомагазин, например этот - http://www.motomike.eu/?language=en . Забей в табличку справа данные мотоцикла и получишь всё подходящее к нему, что у них есть в продаже. Там и размеры АКБ посмотреть можно.
Я не "скАчу"...!
|
#242 - 11 ноября 2014, вторник
|
|
Посетитель
Сообщений: 26
Москва
3095 дней назад
|
0
Спасибо!
|
#243 - 16 ноября 2014, воскресенье
|
|
Посетитель
Сообщений: 203
Мытищи
1806 дней назад
|
+1
Sanek658:решил купить у знакомого TT 600 ... Подскажите пожалуйста размер АКБ? Знаю точно, что на TT600E аккум такой же, как например, у Kawasaki VN-800, если брать Yuasa, то это модель YTX9-BS (12В, 8 Ач), размеры соответственно, 150mm x 87mm x 105mm. Я на прошлой неделе другу для TT600E отвозил вот такую (цена порядка 1500 рублей), крутит отлично: " Аккумуляторная батарея 12V9,5Ah (150х87х105) (гелевая, необслуж.) NRG"
Редактировалось: 2 раза (Последний: 19 июня 2015 в 05:02)
TT600R, KL-250 SuperSherpa, VN-800, CB750-F(1980), Racer Enduro RC150-GY, Irbis TTR-125…
|
#244 - 16 ноября 2014, воскресенье
|
|
Посетитель
Сообщений: 1239
4 дня назад
|
0
Интересно, как поведёт себя батарея для ИБП в мотоусловиях ( вибрация, перепады температуры). Вот тут немного инфы - http://xt600.ru/forum/thread85-4.html#6190 . Exide чувствует себя прекрасно. П.С. По мануалу для ХТ 600Е предназначена батарейка YTX-9BS
Редактировалось: 1 раз (Последний: 16 ноября 2014 в 10:43)
Я не "скАчу"...!
|
#245 - 16 ноября 2014, воскресенье
|
|
Посетитель
Сообщений: 65
Троицк Челябинская обл.
2796 дней назад
|
0
android: Интересно, как поведёт себя батарея для ИБП в мотоусловиях ( вибрация, перепады температуры).
Отлично ведут себя такие батареи только ток пусковой у них слабоват для стартера а на ИЖе я не один сезон такие юзал.
ХТ600Е
|
#246 - 25 ноября 2014, вторник
|
|
Посетитель
Сообщений: 26
Москва
3095 дней назад
|
0
Еще вопрос  ! На кабюраторе есть толстый шланг, на конце его стоит фильтр. Подскажите куда второй конец этого шланга (фильтра) вставляется? Спасибо!!!!
Редактировалось: 1 раз (Последний: 25 ноября 2014 в 19:41)
|
#247 - 25 ноября 2014, вторник
|
|
Посетитель
Сообщений: 1239
4 дня назад
|
0
Sanek658:Подскажите куда второй конец этого шланга (фильтра) вставляется? Никуда не вставляется. http://xt600.ru/forum/thread104-9.html#5434
Я не "скАчу"...!
|
#248 - 25 ноября 2014, вторник
|
|
Посетитель
Сообщений: 26
Москва
3095 дней назад
|
0
Я tt доволен как ребенок!!! Тянет - просто ураган. Сейчас заказал передние колодки и помелочам. Буду ждать весны.
|
#249 - 26 ноября 2014, среда
|
|
Посетитель
Сообщений: 186
курск
2097 дней назад
|
+1
вах ...зачем ждать весны?? ....дюпеля в резину и в бой !!!!...что б снег и лёд в разные стороны!!!
Фанатичный ямаховод.
|
#250 - 30 ноября 2014, воскресенье
|
|
Посетитель
Сообщений: 26
Москва
3095 дней назад
|
0
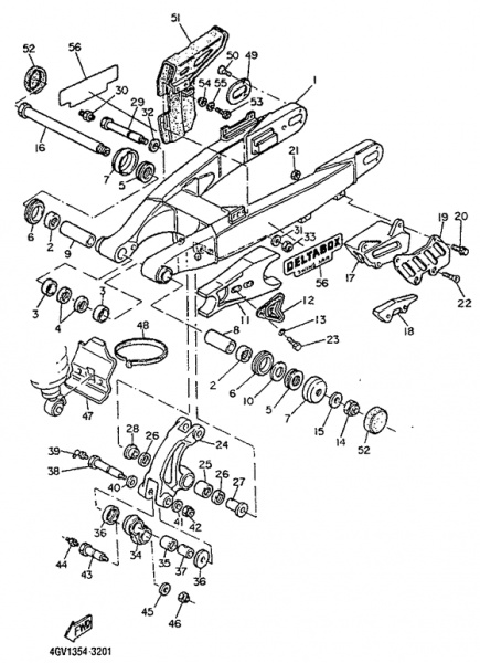
Привет! Подскажите пожалуйста где купить или чем заменить позицию № 11. Отбойник, чтобы цепь не терла о маятник.
|
#251 - 1 декабря 2014, понедельник
|
|
Посетитель
Сообщений: 595
2141 день назад
|
0
официальные (и не очень) дилеры, экзист и всякие интернет магазины.
|
#252 - 1 декабря 2014, понедельник
|
|
Посетитель
Сообщений: 1289
Опочка
1948 дней назад
|
0
Sanek658, на свой TTR я только тут смог найти год назад: http://www.wemoto.com/
TT600R, Санкт-Петербург
|
#253 - 1 декабря 2014, понедельник
|
|
Посетитель
Сообщений: 26
Москва
3095 дней назад
|
0
С другой модели приспособить нельзя? А то нашел в одном магазине, они просят за кусок пластмассы 8,5 тыс.
Редактировалось: 1 раз (Последний: 1 декабря 2014 в 12:29)
|
#254 - 1 декабря 2014, понедельник
|
|
Посетитель
Сообщений: 1289
Опочка
1948 дней назад
|
0
Sanek658, ты по моей ссылке искал? Больше нигде не найдешь, заказывай на вемото. 4GV-F2151-00-00 На моем такой же (TT600R 99 год). 64 бакса стоит. С доставкой около 100, закажи там до кучи еще что нибудь для оправдания затрат на доставкук, наверняка расходники нужны. Проверь, какие звезды у тебя стоят, натяжку цепи - а то новую разобьет опять.
TT600R, Санкт-Петербург
|
#255 - 1 декабря 2014, понедельник
|
|
Посетитель
Сообщений: 26
Москва
3095 дней назад
|
0
Спасибо! Буду заказавать.
|